Complesso REF in via Pezzotti a Milano

Complesso REF in via Pezzotti a Milano
La riqualificazione della centrale termica e l'installazione di sistemi di contabilizzazione termica individuale in un ampio complesso condominiale, costituito da otto edifici nella zona Sud di Milano.
- Casa plurifamiliare
- Risanamento
Il complesso REF di via Pezzotti sostituisce la centrale termica con vantaggi economici e prestazionali
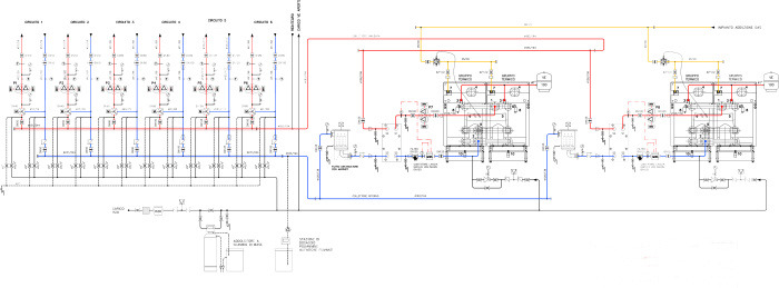
Nella zona Sud di Milano, nell’area compresa tra via Pezzotti e via Aicardo, sorge un ampio complesso condominiale, costituito da otto edifici. L’intero complesso era riscaldato, fino a qualche tempo fa, da una centrale termica di oltre venti anni, giunta ormai al termine del suo ciclo di vita. Due dei vecchi generatori che costituivano la vecchia centrale erano tra l’altro completamente fuori uso. Si è perciò deciso di sostituire i vecchi impianti, intervenendo contemporaneamente sulla centrale termica e nei singoli appartamenti, dove è stato introdotto il sistema di contabilizzazione termica individuale.
Riqualificare in chiave energetica
Per la sostituzione dei vecchi generatori di calore, è stata scelta la tecnologia a gas a condensazione, con due caldaie Hoval UltraGas 800 D, costituite da due unità da 400 kW l’una. In totale sono stati quindi istallati 4 moduli, collegati tra loro in cascata, per una potenza totale di 1600 kW. Assemblati in questo modo, offrono infatti maggior sicurezza di esercizio e migliore efficienza, grazie a un adattamento della potenza e alla distribuzione del carico ottimizzati. La funzione di regolazione dell'intera cascata è inoltre già integrata nel regolatore di sistema Hoval TopTronic E delle singole caldaie.
L'acqua calda sanitaria viene distribuita dalla centrale termica agli otto fabbricati mediante sette gruppi di pompaggio. L’intervento di riqualificazione ha previsto anche il risanamento dei camini e di tutte le opere accessorie: è stato ricostruito l’impianto elettrico, l’impianto è stato trasformato da vaso aperto a vaso chiuso e sono stati predisposti anche gli impianti di telegestione.
Dati tecnici dell’impianto
• Potenza utile nominale 40/30 °C: 97-900 kW
• Potenza utile nominale 80/60 °C: 87-820 kW
• Potenza focolare nominale: 139-820 kW
• Pressione esercizio max: 6 bar
• Rendimento normalizzato 40/30 °C: 109,8%
• Rendimento normalizzato 75/60 °: 107,3%
• Assorbimento elettrico min./max.: 60/1.164 W
• Pressione sonora: 66 dB(A)
La centrale termica

Lo schema d'impianto

I protagonisti
Studio Massoni di Massoni Marco
Via Isimbardi 29, Milano
L'installatore:
TecnoValore S.r.l.
via Fedro 2
20141 Milano