Impianto di cogenerazione e teleriscaldamento nella scuola media di Triesen
Ciò che rende degno di nota l'impianto di cogenerazione nel complesso delle Scuole medie di Triesen, nel Principato del Liechtenstein, è la sua integrazione in un unico sistema con due pompe ...
- Scuola e centro sportivo
- Risanamento
- Pompa di calore

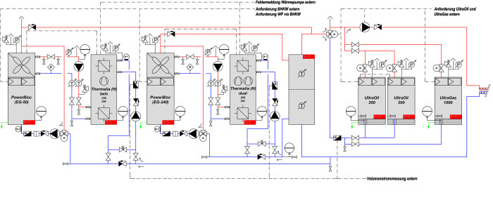
Il sistema integrato e intelligente
Il flusso dell'energia è il seguente: sugli alloggiamenti delle stazioni di cogenerazione i tecnici impiantisti hanno flangiato canali di immissione ed espulsione dell'aria. Sul versante dell'emissione hanno integrato uno scambiatore di calore aria/acqua. Tali dispositivi integrativi raccolgono il calore emesso dai due PowerBloc e lo trasferiscono alle pompe di calore Hoval Thermalia twin H (20) con due stadi di potenza termica da 10 e 20 kW (da cui la denominazione twin) e Thermalia dual H (60) da 60 kW. Esse, a loro volta, convogliano il calore residuo degli impianti di cogenerazione nel ritorno lato riscaldamento verso i generatori di calore ed elettricità: con un COP compreso tra 4,4 e 4,9, esse elevano la temperatura di ritorno in media da 60 a 65 °C.
In tal modo non solo il rendimento aumenta di circa il 5 %. Poiché il calore residuo dei motori a combustione interna non perviene più nell'aria ambiente, la temperatura nel locale tecnico mantiene viene mantenuta entro certi limiti, cosa che va a vantaggio dell'intera componentistica elettronica installata in prossimità dell'impianto di cogenerazione, delle pompe di calore, delle caldaie a gas e gasolio. Infatti, i sensibili microprocessori elettronici presenti soffrono spesso, soprattutto se collocati in locali stretti in caso di installazione in un secondo momento, a causa di temperature ambiente di 40 oC o addirittura superiore, finendo per danneggiarsi.
Ci sono poi le caldaie a gas e a gasolio: una centrale termica che alimenta una rete di teleriscaldamento a breve raggio. La caldaia doppia Hoval UltraOil (600D), con una potenza termica di 600 kW, funge da generatore ausiliario. Dal momento che alla rete di teleriscaldamento a breve raggio sono allacciati, tra l'altro, una piscina, scuole, case di cura e di riposo, il gestore della stessa, l'azienda di distribuzione del gas del Liechtenstein LGV, non ha voluto affidarsi ad un unica fonte energetica. La caldaia a condensazione a gas UltraGas (1000), con un intervallo di potenza termica compreso tra 205 e 925 kW, funge da copertura dei carichi di picco.
Il cogeneratore
Le pompe di calore


La caldaia a gas
La caldaia a gasolio


Lo schema dell'impianto
