Contenuto salvato in myHoval

File salvato in myHoval

Si è verificato un errore durante l’annotazione del contenuto in myHoval.

La riqualificazione della centrale termica dell'Hotel Baita dei Pini

Bormio

La riqualificazione della centrale termica dell'Hotel Baita dei Pini

Bormio

Il cliente e le sue necessità.

  • Hotel
  • Risanamento
  • Sistema di climatizzazione interna
Aperto nel 1957, l’Hotel Baita dei Pini offre un ambiente elegante e raffinato, la cui bellezza è esaltata dalla presenza affettuosa ma discreta della famiglia Dei Cas, sempre attenta al benessere degli Ospiti. A ridosso del centro storico di Bormio, a soli 200 metri dagli impianti di risalita e non distante dalle Terme, l’Hotel Baita dei Pini, con le sue 40 camere, offre servizi di qualità “quattro stelle “, in grado di soddisfare anche l’Ospite più esigente

L’Hotel dispone di camere ampie e luminose, arredate in stile alpino, per vivere ogni giorno la magia delle antiche baite di montagna, lasciandosi tutto alle spalle, ritrovando equilibrio e serenità.

A fine 2012 la proprietà dell’hotel Baita dei Pini ha deciso di riqualificare la centrale termica e di sostituire una delle due caldaie a gasolio presenti e ha scelto Hoval come partner tecnologico.

L'intervento di Hoval
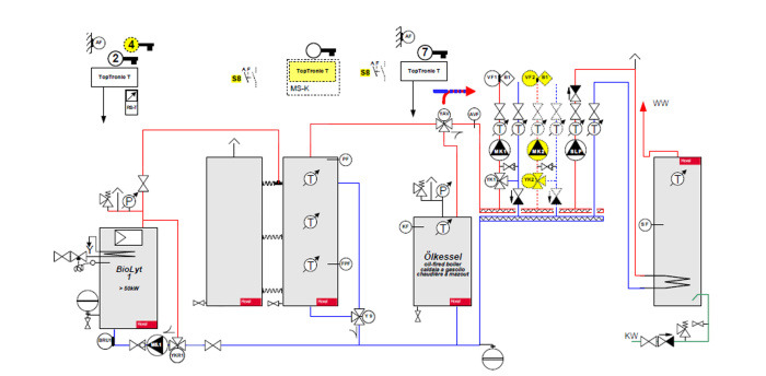
Per la sua sostituzione è stata scelta una caldaia a pellet Hoval BioLyt 160, che è stata quindi integrata con la restante caldaia a gasolio da 200 kW. Per lo stoccaggio del pellet è stato installato un serbatoio interrato dotato di coclea, posizionato alla stessa altezza della centrale termica, che si trova nel piano seminterrato, e una turbina di aspirazione garantisce il trasporto del pellet dal serbatoio alla caldaia. Inoltre la caldaia lavora in combinazione con due accumuli di energia EnerVal da 1500 litri ed è collegata all’impianto mediante una valvola miscelatrice. L’obiettivo della valvola miscelatrice è di “pescare acqua dal puffer” e di miscelare con acqua dalla caldaia a gasolio laddove necessario. Quindi se l’accumulo non è in grado di fornire acqua alla temperatura richiesta, perche la caldaia a pellet è in fase di caricamento pellet o di pulizia bruciatore, l’energia viene richiesta al puffer e integrata con quella fornita dalla caldaia a gasolio.
La centrale termica
Lo schema d'impianto
I protagonisti

Il progettista: Studio Termotecnico Bracchi Per. Ind. Franco

L’installatore : IDRAP Srl - Idraulica Bormio