Nuova villetta in classe A+ a Pinzolo

Nuova villetta in classe A+ a Pinzolo
Pinzolo
Nel 2013 a Pinzolo (TN) è stata realizzata una villetta monofamiliare di circa 200 mq, strutturata su 4 livelli certificata Casa Clima A+
- Casa monofamiliare
- Nuovo edificio
- Solare
Il cliente e le sue necessità
Nel 2013 a Pinzolo (TN) è stata realizzata una villetta monofamiliare di circa 200 m2, strutturata su 4 livelli (piano interrato con garage e centrale termica, piano terra, primo piano e mansarda).
L'abitazione, grazie all'attenzione prestata in fase progettuale e costruttiva, ha raggiunto un elevato livello di efficienza energetica e il riconoscimento della certificazione Classe A+.
L'abitazione, grazie all'attenzione prestata in fase progettuale e costruttiva, ha raggiunto un elevato livello di efficienza energetica e il riconoscimento della certificazione Classe A+.

L'intervento Hoval
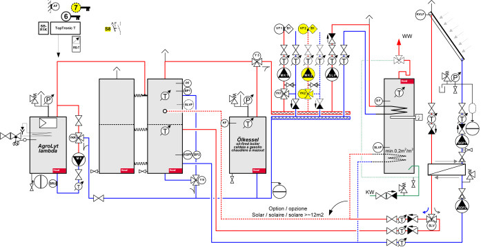
Per il riscaldamento e la produzione di acqua calda sanitaria dell'abitazione, Hoval ha messo a punto una soluzione composta da una caldaia a legna Hoval AgroLyt da 20 kW, integrata ad una caldaia in acciaio Euro-3 da 27 kW che funge da generatore ausiliario, solo per casi di emergenza. La caldaia a legna lavora in combinazione con un accumulo inerziale Hoval EnerVal da 1.500 litri.
Per la produzione di acqua calda sanitaria sono stati installati 3 pannelli solari termici Hoval WK251 e un bollitore Hoval MultiVal da 500 litri. Nel caso in cui il fabbisogno di ACS fosse superiore, la caldaia a legna interviene a supporto dell'impianto solare.
L'impianto è inoltre dotato di 3 circolatori ad alta efficienza Biral A 13-1 e un circolatore Biral A 15.
L'impianto di distribuzione dell'edificio è composto da un sistema ad alta temperatura per quanto riguarda la mansarda e il piano interrato e un sistema a bassa temperatura a pavimento per il piano terra e il primo piano. In questo modo le diverse aree dell'abitazione possono avere temperature e tempi di funzionamento differenti.
Per la produzione di acqua calda sanitaria sono stati installati 3 pannelli solari termici Hoval WK251 e un bollitore Hoval MultiVal da 500 litri. Nel caso in cui il fabbisogno di ACS fosse superiore, la caldaia a legna interviene a supporto dell'impianto solare.
L'impianto è inoltre dotato di 3 circolatori ad alta efficienza Biral A 13-1 e un circolatore Biral A 15.
L'impianto di distribuzione dell'edificio è composto da un sistema ad alta temperatura per quanto riguarda la mansarda e il piano interrato e un sistema a bassa temperatura a pavimento per il piano terra e il primo piano. In questo modo le diverse aree dell'abitazione possono avere temperature e tempi di funzionamento differenti.

La centrale termica

La stazione solare

I circolatori
Lo schema dell'impianto
